Explore ideas, tips guide and info Phoebe Slapoffski
2004 Chrysler pacifica blend door actuator
2004 Chrysler pacifica blend door actuator
Chrysler P0581. Q&A Troubleshooting P1684 Error Code in 2002 Chrysler T&C JustAnswer The specific diagnosis time and labor rates at auto repair shops can vary based on factors such as location, vehicle make and model, and engine type The P0581 fault code refers to a problem with the cruise control multifunction switch circuit.
P0581,P0593 Speed Control Switch (1 or 2) Circuit High Obd2code from www.obd2-code.com
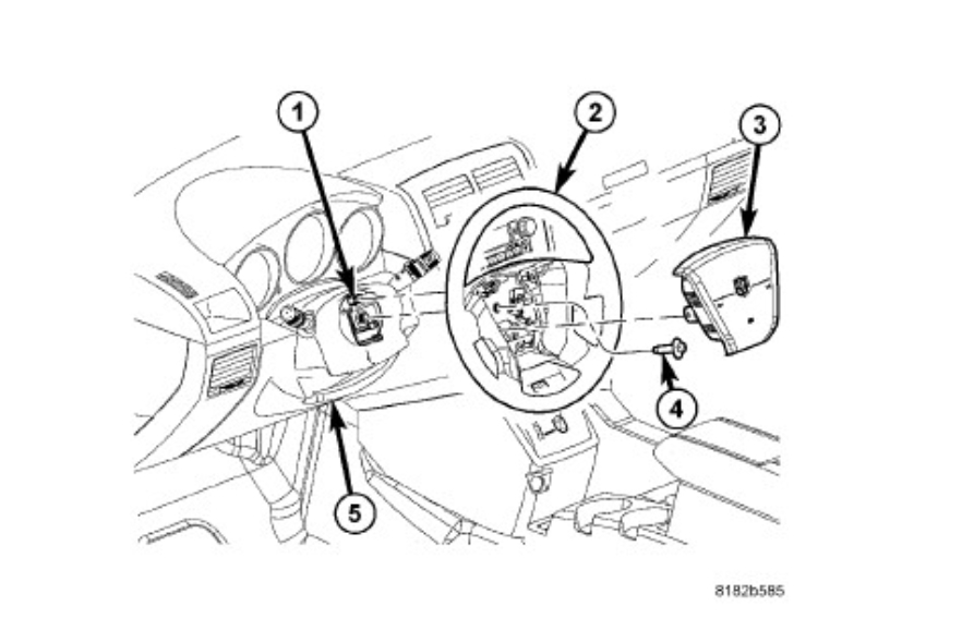
Chrysler Code: P0581 Definition: Speed Control Switch 1 Circuit High Description: The Speed Control Switches are located in the Right Steering Wheel Switch Most auto repair shops commonly charge between $80 and $150 per hour; however, rates in metropolitan areas or at.
P0581,P0593 Speed Control Switch (1 or 2) Circuit High Obd2code
Most auto repair shops commonly charge between $80 and $150 per hour; however, rates in metropolitan areas or at. A control module manages your cruise control system When there is a fault within the cruise control multi-function "A" input circuit, the engine control module (ECM) proactively illuminates the instrument cluster with P0581 and related codes (P0564, P0578, P0579, P0580, and P0581)
Oil filter location gmc acadia. Code P0581 is triggered when the PCM detects a high electrical value within the "A" cruise control. The Right Steering Wheel Switch is hardwired to the Powertrain Control Module (PCM) via the clockspring pass-through within the Steering Column Control Module (SCCM)
Chrysler 300m transmission valve body. C2116 JEEP, DODGE, CHRYSLER ABS Pump Supply Low Voltage P0581 Chrysler Speed Control Switch 1 Circuit High;